Пользователь не авторизован Roderick Klein  2016-06-13 20:17:52 | A tool is not really around. You can use ping to monitor a server. But thats one of the last things that can still work, PING. While the server its memory is exhausted. Most successful are other websites that monitor specific ports of the services you run. Then they send an email or SMS to you. But a utility on OS/2 specially that does this I am not aware off. |
Пользователь не авторизован Sergey_vl  2016-06-14 02:01:37 | ...... .. ... ..... .......... .......... .......... .... "........... ......." https://ru.wikipedia.org/wiki/%D0%A1%D1%82%D0%BE%D1%80%D0%BE%D0%B6%D0%B5%D0%B2%D0%BE%D0%B9_%D1%82%D0%B0%D0%B9%D0%BC%D0%B5%D1%80
... . ...... ..... ....... - .. .. ....... [url]
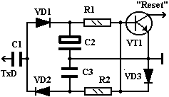
..... . ....... .. .... ....... .. ......... ../.... ........., .. ....... ........ .... ........... ...., ....... ... . ...... ..... ping ......., . . ...... ............. CD-ROM ....... ... reset. ... ... ......... ... ... ........
....... . ...... . .... "...........", ....... ............ ......... ..., . . ...... ......... ....... ..... ........... ......, ...... .......... .............., ....... .. ......... ... ....... ........... .. ........ ........ |
Пользователь не авторизован .......  2016-06-15 03:31:44 | ... ...... ..... ......... ...., ... .. .....? ...., ...... ......... ..... ........ .......... ........ ........ ........: . ......... .........., . ..... ......-... ........ WPS: PM ......... ....... ....-.. . ........ ...... ...... .....: ......... ...-.. . ...... |